3151DP差压变送器

undefined
产品描述:

产品简介

3151系列智能压力变送器作为一种高精度智能型的现场压力参数的检测仪表,可以用来测量各种介质在液体,气体和蒸汽状态下的差压、压力,液位等参数,与节流装置配合还可以测量流体的流量参数,并将被测的压力参数转换成4-20mA标准电信号输出,该输出可作为指示、记录和各种控制、调节系统的输入信号,变送器同时采用HART协议传输数字信号,具有与手操器或上位机进行通讯的功能,变送器具有输出参数组态功能,能适应不同用户的需要。它可以准确地测量小差压至大差压、低压力至高压力、液位、真空度和比重。DP/GP型压力/差压变送器配上远传密封装置后,可避免被测介质直接与变送器的隔离膜片接触,对不能直接进行测量的介质提供了一种可靠的测量方法。

主要技术参数

1. 测量类型:差压、表压、******压力任意选择一种

2. 测量范围: 差压: 0-0.05kPa~7 MPa (按不同的量程段选择传感器)

表压:  0-0.15kPa~42 MPa (按不同的量程段选择传感器)

绝压:  0-40kPa~7 MPa  (按不同的量程段选择传感器)

3. 测量精度:  0.075~1级

4. 与传感器接触的介质温度范围:  -40~ 85℃

5. 显示参数:测量压力值;输出模拟电流值;被测压力对应设定量程的百分比值;传感器本体与其接触质的温度值

6. 输出信号:1)4~20 mA DC 压力参数模拟信号与压力、温度数字信号,使用 HART 协议。

2)压力、温度、百分比量程全数字信号,使用EPA、FF、或Profibus-PA现场总线协议。

7. 主要组态功能:零点迁移、量程、工程量单位、阻尼时间、超限报警、输出 4~20 mA 电流标定、写数据保护、输出函数、出厂数据恢复。

8. 防爆等级:  ExdⅡCT6 Gb  (隔爆型) ExiaⅡCT4/T5/T6 Ga(本质安全型)

9. 外壳防护等级:IP65

工作原理

当被测介质的压力作用于压力、温度复合传感器上的正压端隔离膜片时,膜片产生位移,并通过容室中的灌充硅油传递到中心的测量膜片上使其产生相应的位移,测量膜片是一种预张紧的弹性元件,其位移与被测介质的压力成正比,测量膜片的位置变化由它两侧的电容固定极板通过电容量的变化检测出来。使传感器的测量膜片和两固定电容极板的电容量发生变化,传感器的电容量变化,通过特定的高频激励与检测电路将其转换为直流电信号,通过信号调理电路转换为一定幅度的电压信号,经 A/D(模拟/数字)转换为数字量的信号送至 CPU 处理,所检测到的温度信号同样转换为数字信号送至 CPU 处理、上述两个信号经微处理器的程序运算,并经 D/A(数字/模拟)转换以及 HART 通信电路处理,将压力及温度参数转换成所需的4~20mA 标准直流电流信号及符合 HART 协议的数字信号并调制在二线制电流信号上,提供给用户使用,同时驱动显示器显示。

使用选型

3151DR/DP微差/压变送器使用选型

1

2

3

4

5

6

7

8

9


1

使


10-0.05~0.5KPa

20-0.1~1.0KPa


3:0-0.15~7.5KPa

4:0-0.4-40KPa

5:0-2~200KPa

6:0-7~700KPa

7:0-21~2100KPa

8:0-70~7000KPa

2


B4-20mA直流信号+HART协议数字信号(多参数)

E:工业以太网协议的数字量信号

FFF基金会现场总线协议的数字量信号

PProfibus-PA协议的数字量信号

3


22:传感器隔离膜片为316L SST;流程法兰、泄放阀、选用接头为316 SST;接液“O”型密封圈为氟碳橡胶

23:传感器隔离膜片为哈氏合金材料;流程法兰、泄放阀、选用接头为316  SST;接液“O”型密封圈为氟碳橡胶

24:传感器隔离膜片为蒙乃尔合金材料; 流程法兰、泄放阀、选用接头为316  SST;接液“O”型密封圈为橡胶

4


01/4-18NPT内螺纹

T1/2-14NPT内螺纹

S1:带一个远传装置(正压侧)

S2:带二个远传装置

5


M7LCD(液晶)显示,可设置循环或固定显示压力、温度、电流、百分比与测量工程量单位等多种模式

M32LED数字显示,可按需设定(4-20mA回路增加压降≤3V

6


B12”弯支架管装

B2:弯支架板装

B32”平支架管装

7


dEx d II CT6  Gb(隔爆型)

iEx ia II CT4/CT5/CT6  Ga(本安型)

8


K:安装内置式电源隔离模块(本安防爆不可用)

W:带现场安装式电源隔离器配件,用户可按需自行安装(本安防爆不可用)

9


C12:一端为1/2-14NPT螺纹,另一端为外径14mm,内径6mm连接管,用于与其它管道焊接,两端为可拆卸式螺纹连接


型号举例:3151DR2B22TM7B3 或3151DP3B22TM7B3

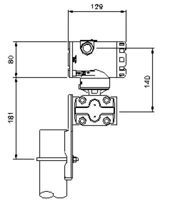
安装图片

变送器安装于2英寸管道上的支架碳钢结构,配有碳钢U型螺栓,聚氨酯喷漆

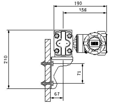
B2型  面板安装支架

变送器垂直安装于2-英寸管道上的支架,碳钢结构,配有碳钢U型螺栓,聚氨酯喷漆


浏览:
上一篇:
下一篇:3151DP系列差压变送器
返回顶部

分享到: